Beskrivelse
- Kapasitet: ca. 4 bad pr time
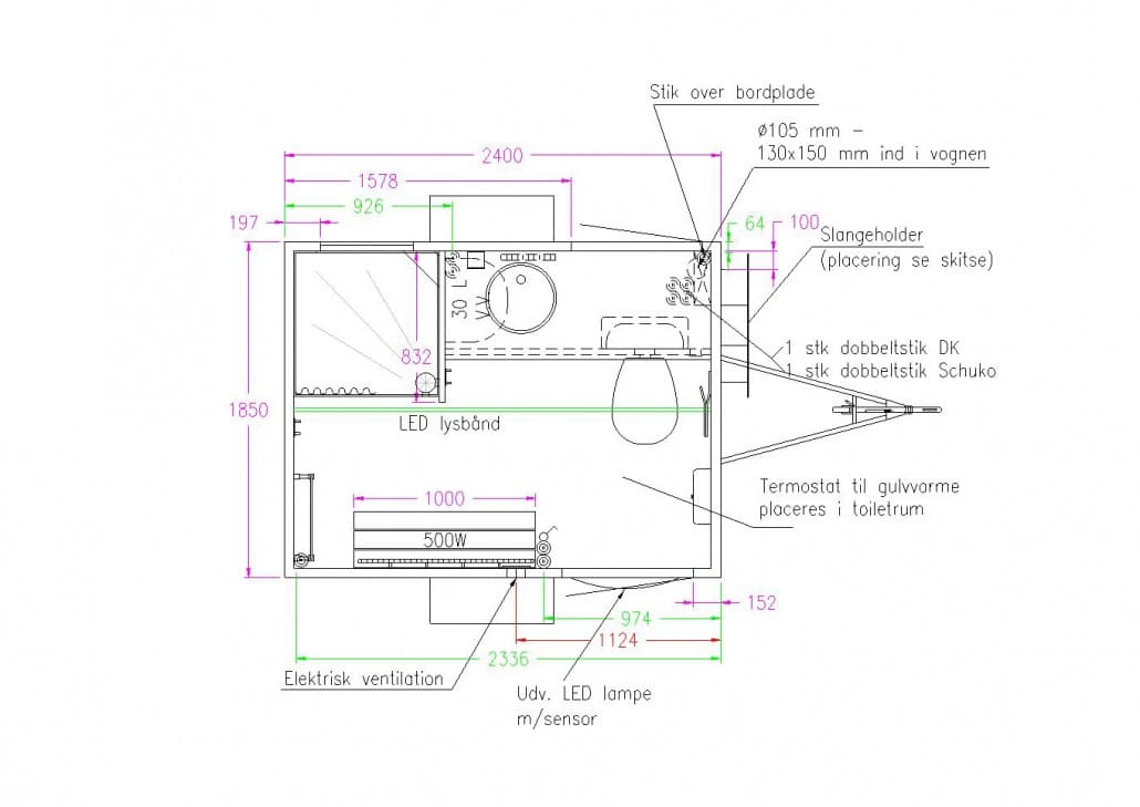
- Utvendig mål: H. 280, B. 230, L. 240 cm.
- Innvendige mål: H. 210, B. 175, L. 230 cm.
- Elektrisk tilkobling: 400V 16A CEE plugg
- Maks. strømforbruk: 4760W
- Varmtvannsbeholder: 30 l.
- Vanntilkobling: 3/4” Nito kobling
- Avløp: 1” Nito kobling
- Avløpskvern: pumpelengde 50 m
- Usynlig kobling: 750 kg.
- Kuletrekk: 50 mm
- Tilstand: Brukt/Demo/Ny
Inventar:
Lys, elektrisk varme, vask, dusjkabinett, spyletoalett, madame bagholder, speil, benk og jumbo toalettpapirholder.
Inkl. 25 m slangesett
Se installasjon av produktet
Utsalgspris: 47.000 kroner









